VPedia:Beitrag/Parallelport Anschluss für Lik-Sang Metalpad

Aus VPedia
Zur Navigation springenZur Suche springen

Wer ein Metalpad besitzt, möchte es vielleicht auch am PC betreiben. Was macht man aber, wenn der PS->USB Adapter das schöne Metalpad nicht verkraftet und auch ein kurzfristig heran geschaffter USB Adapter nichts taugt? Da muss das handwerkliche Geschick ran um einen Parallelport-Anschluss für das Pad zu basteln.

Benötigtes Werkzeug und Bauteile

  • Lötkolben, Lötzinn, Seitenschneider
  • 3 x 2 Adrige Computer-Motherboard Kabel + Stecker
  • 1 x 1 Adriges Computer-Motherboard Kabel + Stecker
  • 5 x Dioden (1N4148)
  • 1 x 25 DSUB Stecker (männlich)
  • 1 x Metal Pad für Konsolen (diese Bauanleitung basiert auf dem Lik-Sang Pad)
  • 1 x Playstation Control Box für Metal Pads

Anleitung

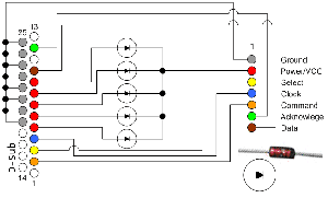
Als erstes habe ich die Kabel ihrer Leuchtdioden beraubt und auf etwa 20cm gekürzt. Dann ist es ratsam, die vier Computer-Motherboard-Kabel mittels Tesafilm zu einem einzigen Stecker mit sieben Polen zusammenzukleben (Bild 1). Als nächstes lötet Ihr die fünf Dioden mit der Anoden-Seite (nicht die Seite mit dem Strich) an den D-Sub-Stecker jeweils an die Pins 5,6,7,8 und 9. Die unverlöteten Enden der Dioden drückt Ihr zu einem Ende zusammen und verlötet es ebenfalls. (Bild 2) Jetzt müsst Ihr nur noch die 7 Adern mit dem D-Sub-Stecker bzw. den Dioden verlöten. (Bild 3)

Jetzt öffnet Ihr die Controlbox und zieht den Stecker, der zu dem Playstation-Stecker führt, von der Platine. An dessen Stelle kommt euer neu gelötetes Kabel (mit Ader 1 von dem 15-poligen D-Sub weg zeigend). (Bild 4) Da ich die Box nicht direkt hinter meinem Rechner hängen haben will hab ich mir ein Verlängerungskabel besorgt. Ihr könnt natürlich auch gleich ein längeres Kabel - z.B. Druckerkabel - benutzen, dann müsst ihr nur selbst einen 7-poligen Stecker finden der passt.

Anschließen, NTPad als Joysticktreiber installieren und gut ist. Sogar die LEDs Glimmen leicht vor sich hin. (Bild 5)

Quellen: http://pupp.edgeemu.com/psx_control.htm